Columna técnica de Javier Alvarez (Biólogo Marino); Diego Caro (Médico Veterinario). Centro de Investigaciones Biológicas Aplicadas (CIBA).
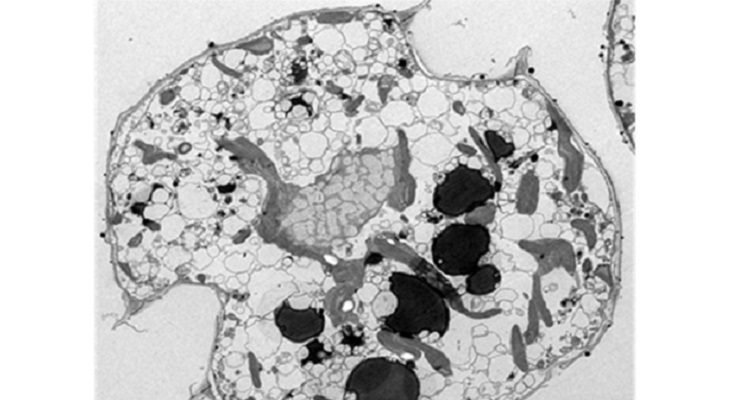
Alexandrium catenella
CIBA presentó en ICHA 2025 estudios sobre blooms nocivos y monitoreo de fitoplancton con foco sanitario y productivo.
La investigación proporciona nuevas pistas sobre la producción del VPM y el metabolismo de nitratos en dinoflagelados.
Solución preventiva protege a los peces de los centros de cultivo con riesgo de eventos FANs, bloqueando el paso de las microalgas y disminuyendo su concentración.
